+886-9-6631-6869
[email protected]
About Us
News
E-catalog
Language
English
Deutsch
Espanol
français
italiano
Česky
русский
Polski
Türk
magyar
Contact Us
Hardware
Grating Plates, Ditch Covers
Swageless Wire Rope Rigging and Accessories
Wire Rope Fittings and Accessories
Wire Rope Rigging
Wire Rope
Architectural Hardware
Screws and Nuts
Swing
Ship, Plane, Construction Hardware
Household Hardware
Metal Wire Hardware
Wire Strippers, Crimping Tools
Drinking Water System
100% MMA Acrylic Solid Bowls and Sinks
Garden Tools
Garden Tool Wire Rope Wall Set
Sprinkler
Hose Nozzle
Garden Valve
POP-UP Sprinkler
Hose Coupling
Garden Sprayer
Garden Hose Connector
Garden Shear
Garden Cutter
Sprinklres,Nozzles and Pop Up
Packing Straps
Packaging Straps
Steel Strapping Seal
Formwork Spacer
Strapping Tool
Rubber and Plastic Products
Car Mirror
Rubber Seal Products
Plastic Pipe and Fittings
Super Grip Sign Holder
Machine Parts and Tools
Electronic Parts
Bicycle Parts
Modified Car and Motorcycle Parts
Forging Parts
Rotors
Collet Chuck
CNC Parts
Stamping Parts
Automated Robotics Industry
Customize OEM and ODM
Fashions and Functions
ECO Printing
Face Mask
Ribbon
Shoe insole Shoe pad
Home
Products
Hardware
Screws and Nuts
Clinch Fasteners
BN032
BN032
Description
Inquiry
Prev
Back to List
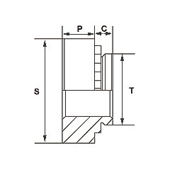
Product Specification
Dimensions : mm
THREAD SIZES
shank code
Dimension C
Dimension T
Dimension S
Dimension P
ISO Metric
mm
mm
mm
mm
mm
M2
1
0.77
4.15
6.25
1.51
2
0.96
3
1.36
4
2.22
M2.5
1
0.77
4.15
6.25
1.51
2
0.96
3
1.36
4
2.22
M3
1
0.77
4.70
7.00
1.51
2
0.96
3
1.36
4
2.22
M3.5
1
0.77
4.70
7.00
1.51
2
0.96
3
1.36
4
2.22
M4
1
0.77
5.35
7.85
2.00
2
0.96
3
1.36
4
2.22
M5
1
0.77
6.31
8.65
2.00
2
0.96
3
1.36
4
2.22
M6
1
1.36
8.69
11.05
4.10
2
2.22
3
3.06
M8
1
1.36
10.45
12.65
5.91
2
2.22
3
3.06
M10
1
1.36
12.64
14.25
7.51
2
2.22
3
3.06
Out of stock.,
contact us