+886-9-6631-6869
[email protected]
About Us
News
E-catalog
Language
English
Deutsch
Espanol
français
italiano
Česky
русский
Polski
Türk
magyar
Contact Us
Hardware
Grating Plates, Ditch Covers
Swageless Wire Rope Rigging and Accessories
Wire Rope Fittings and Accessories
Wire Rope Rigging
Wire Rope
Architectural Hardware
Screws and Nuts
Swing
Ship, Plane, Construction Hardware
Household Hardware
Metal Wire Hardware
Wire Strippers, Crimping Tools
Drinking Water System
100% MMA Acrylic Solid Bowls and Sinks
Garden Tools
Garden Tool Wire Rope Wall Set
Sprinkler
Hose Nozzle
Garden Valve
POP-UP Sprinkler
Hose Coupling
Garden Sprayer
Garden Hose Connector
Garden Shear
Garden Cutter
Sprinklres,Nozzles and Pop Up
Packing Straps
Packaging Straps
Steel Strapping Seal
Formwork Spacer
Strapping Tool
Rubber and Plastic Products
Car Mirror
Rubber Seal Products
Plastic Pipe and Fittings
Super Grip Sign Holder
Machine Parts and Tools
Electronic Parts
Bicycle Parts
Modified Car and Motorcycle Parts
Forging Parts
Rotors
Collet Chuck
CNC Parts
Stamping Parts
Automated Robotics Industry
Customize OEM and ODM
Fashions and Functions
ECO Printing
Face Mask
Ribbon
Shoe insole Shoe pad
Home
Products
Machine Parts and Tools
Collet Chuck
YNBC Collet Series
YNBC8, YNBC10, YNBC13, YNBC16, YNBC20
YNBC8, YNBC10, YNBC13, YNBC16, YNBC20
Description
Inquiry
Back to List
Product Description
Product Specification
Y
NBC Collet Chuck • Milling Chucks
The YNBC boasts a high-precision collet chuck system with a remarkable accuracy of 1 micron at the nose. This level of precision ensures impeccable results in every task. Our YNBC represents the pinnacle of machining innovation, boasting an advanced design that redefines machining capabilities. Its state-of-the-art construction guarantees heightened stability and precision, empowering you to achieve extraordinary outcomes with every task. Exceptional Holding Power: Equipped with an innovative gripping mechanism, the YNBC delivers extraordinary holding power, effectively minimizing vibrations and maximizing accuracy. This translates to unwavering performance and impeccable workpieces, elevating the quality of your projects. Versatility in Applications: From milling and drilling to intricate engraving and turning, the YNBC is engineered to excel across a diverse spectrum of applications. Its adaptability makes it an essential tool across various industries, ensuring optimal results regardless of the task at hand. Effortless Setup and Efficiency: The YNBC streamlines your machining processes through its user-friendly setup. Spend less time on tool changes and adjustments, and more time on productive machining, enhancing your overall efficiency. Durable Performance: Crafted from premium-grade materials, the YNBC is purpose-built to endure the demands of rigorous machining tasks. Its robust construction ensures longevity and unwavering reliability even in the most challenging high-intensity operations.
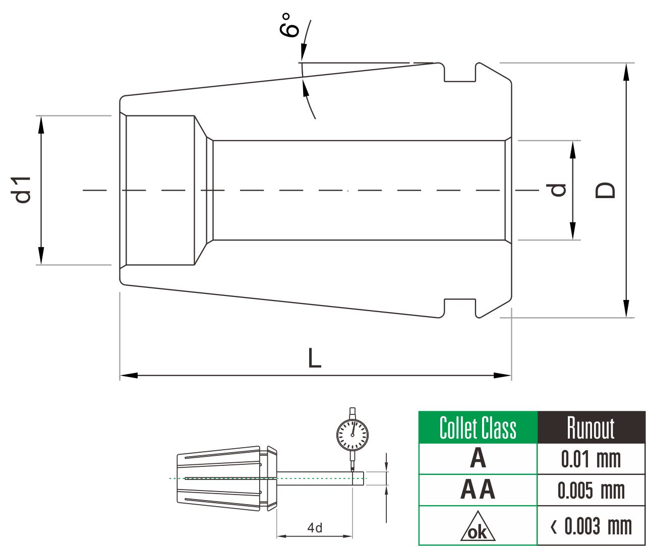
Model No.
D
d
d1
L
NBC8
4.0
12.5
4.0
7.7
18.2
6.0
12.5
6.0
7.7
18.2
8.0
12.5
8.0
8.0
18.2
NBC10
4.0
16.5
4.0
9.5
27.4
6.0
16.5
6.0
9.5
27.4
8.0
16.5
8.0
9.5
27.4
10.0
16.5
10.0
10.0
27.4
NBC13
4.0
20.5
4.0
12.0
31.5
6.0
20.5
6.0
12.0
31.5
8.0
20.5
8.0
12.0
31.5
10.0
20.5
10.0
12.0
31.5
12.0
20.5
12.0
12.0
31.5
NBC16
4.0
25.5
4.0
15.0
35.5
6.0
25.5
6.0
15.0
35.5
8.0
25.5
8.0
15.0
35.5
10.0
25.5
10.0
15.0
35.5
12.0
25.5
12.0
15.0
35.5
16.0
25.5
16.0
16.0
35.5
NBC20
4.0
28.4
4.0
18.2
38.0
6.0
28.4
6.0
18.2
38.0
8.0
28.4
8.0
18.2
38.0
10.0
28.4
10.0
18.2
38.0
12.0
28.4
12.0
18.2
38.0
16.0
28.4
16.0
18.2
38.0
20.0
28.4
20.0
20.2
38.0
Out of stock.,
contact us